
產品型號: Type60-RI
產品名稱:60型滾筒端皮帶輸送機
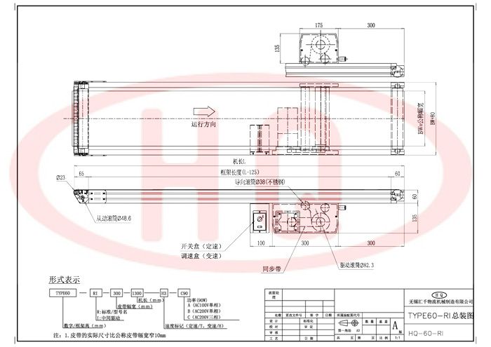
使用強度更高的60mm鋁合金型材支架,皮帶傳送、驅動。輸送機兩端使用R11.5的滾筒,方便與其他輸送機對接,使物品輸送比較順暢。驅動部為鑄鋁一體成型,主動輪和從動輪為鋁同步輪,皮帶為樹脂同步帶,具有精度高、靜音性及耐久性,無油脂污染。標準式樣一端為滾筒端。
>>說明
1.定速:2.0~29m/min
2.變速:0.14~32m/min
3.幅寬: 100mm~600mm
4.搬送能力: max約15kg(水平分散荷重時)
>>仕様
選型標記方法

標準式樣(單位:mm)
| 皮帶幅寬 | 200 | 250 | 300 | 400 | 500 | 600 |
| 機寬 | 280 | 330 | 380 | 480 | 580 | 680 |
| 機長 | 1000 | 1500 | 2000 | 2500 | 3000 |
| 機高 | 169 | 電源 | AC100V(單相),AC200V(單相),AC200V(三相) | |||||||
| 皮帶速度 | 定速,變速 | 皮帶材質 | PVC皮帶(標準),PU帶 | |||||||
| 電機功率 | 60W/90W | 附屬件 | 腳,護欄,其它… | |||||||
搬送能力:15kg/臺
皮帶速度表
| 減 速 比 | 速度記號 | 定速(m/min) 50/60Hz | 速度記號 | 変速(m/min) 50?60Hz | |||||
| 1/180 | T1 | 2.0/2.5 | H1 | 0.14~2.7 | |||||
| 1/150 | T2 | 2.5/2.9 | H2 | 0.16~3.3 | |||||
| 1/120 | T3 | 3.1/3.7 | H3 | 0.20~4.1 | |||||
| 1/100 | T4 | 3.7/4.4 | H4 | 0.25~4.9 | |||||
| 1/90 | T5 | 4.1/4.9 | H5 | 0.27~5.5 | |||||
| 1/75 | T6 | 4.9/5.9 | H6 | 0.33~6.5 | |||||
| 1/60 | T7 | 6.1/7.4 | H7 | 0.41~8.6 | |||||
| 1/50 | T8 | 7.4/8.8 | H8 | 0.49~9.8 | |||||
| 1/36 | T9 | 10.2/12.3 | H9 | 0.68~13.6 | |||||
| 1/30 | T10 | 12.3/14.7 | H10 | 0.82~16.4 | |||||
| 1/25 | T11 | 14.7/17.7 | H11 | 0.98~19.6 | |||||
| 1/18 | T12 | 20.5/24.6 | H12 | 1.36~27.3 | |||||
| 1/15 | T13 | 24.6/29.5 | H13 | 1.64~32.7 | |||||
>>示意圖
